Blue Sea Automatisches Laderelais 24V DC 500A, Batterieladerleiste, Magnetverriegelung & Dual-Sensing
Blue Sea Automatisches Laderelais 24V DC 500A, Batterieladerleiste, Magnetverriegelung & Dual-Sensing ist auf Lager und wird versandt, sobald es wieder verfügbar ist
Verfügbarkeit für Abholungen konnte nicht geladen werden
Beschreibung
Beschreibung
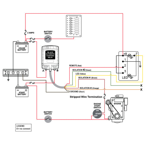
Das magnetische 500-A-Relais (bistabil) verbindet die Batterien beim Laden automatisch und isoliert die Batterien beim Entladen und beim Anlassen des Motors.
- Der manuelle Steuerschalter bietet ein zusätzliches Maß an Sicherheit, ermöglicht die Steuerung mit oder ohne Strom und bietet eine SPERR-AUS-Funktion für Wartungsarbeiten.
- Inklusive Fernbedienung Contura Switch PN 2146 der ML-Serie.
- Verwaltet automatisch das Laden von zwei großen Batteriebänken.
- Ermöglicht die Parallelschaltung von Batteriebänken für den Notstart.
- 500 Ampere Dauerleistung zur Unterstützung von Hochleistungsgeneratoren.
- Magnetverriegelung (ML) – ACR verbraucht im „EIN“- oder „AUS“-Zustand einen sehr geringen Strom (<40 mA zur Überwachung der Klemmenspannung) und verbraucht für sehr kurze Zeit einen moderaten Strom, wenn sich der Zustand ändert.
- Dual-Sensing – erkennt den Ladezustand beider Batteriebänke.
- Startisolation (SI) – kann für die vorübergehende Isolierung der Hauslasten vom Motorstromkreis während des Anlassens des Motors konfiguriert werden, um empfindliche Elektronik zu schützen.
- Motorisolierung (EI) – kann für die Isolierung zweier Motoren bei laufendem Betrieb konfiguriert werden, um die Motorelektronik zu schützen und die Lichtmaschinenleistung zu maximieren.
- Senses lädt über zwei Batteriebänke.
- LED-Ausgang zur Fernanzeige, wenn die Batterien kombiniert, isoliert, in Spannungssperre oder in Start- oder Motorisolation sind.
- 3/8'-16 verzinnte Kupferbolzen für maximale Leitfähigkeit und Korrosionsbeständigkeit.
- Die Bolzenlänge von 7/8 Zoll (22 mm) ist für mehrere Kabelanschlüsse geeignet.
- Kontakte aus Silberlegierung bieten eine hohe Zuverlässigkeit beim Schalten von spannungsführenden Lasten.
- Beschriftungsaussparungen zur Schaltungskennzeichnung.
Produkteigenschaften
Produkteigenschaften
Herstellerinformationen
Herstellerinformationen
Hersteller: Navico Group EMEA B.V. Niederlassung
Adresse: Unterfeldring 7A , 85256 Vierkirchen , DE


